Home Beschreibung
Pläne
Platinen


Röhrenverstärker Fernbedienung
Pläne

Alle Pläne und Layouts als PDF-Datei bitte klicken
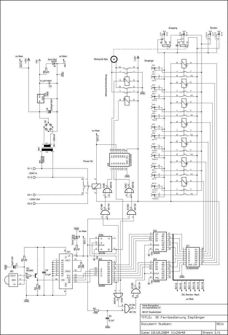
Der Empfänger




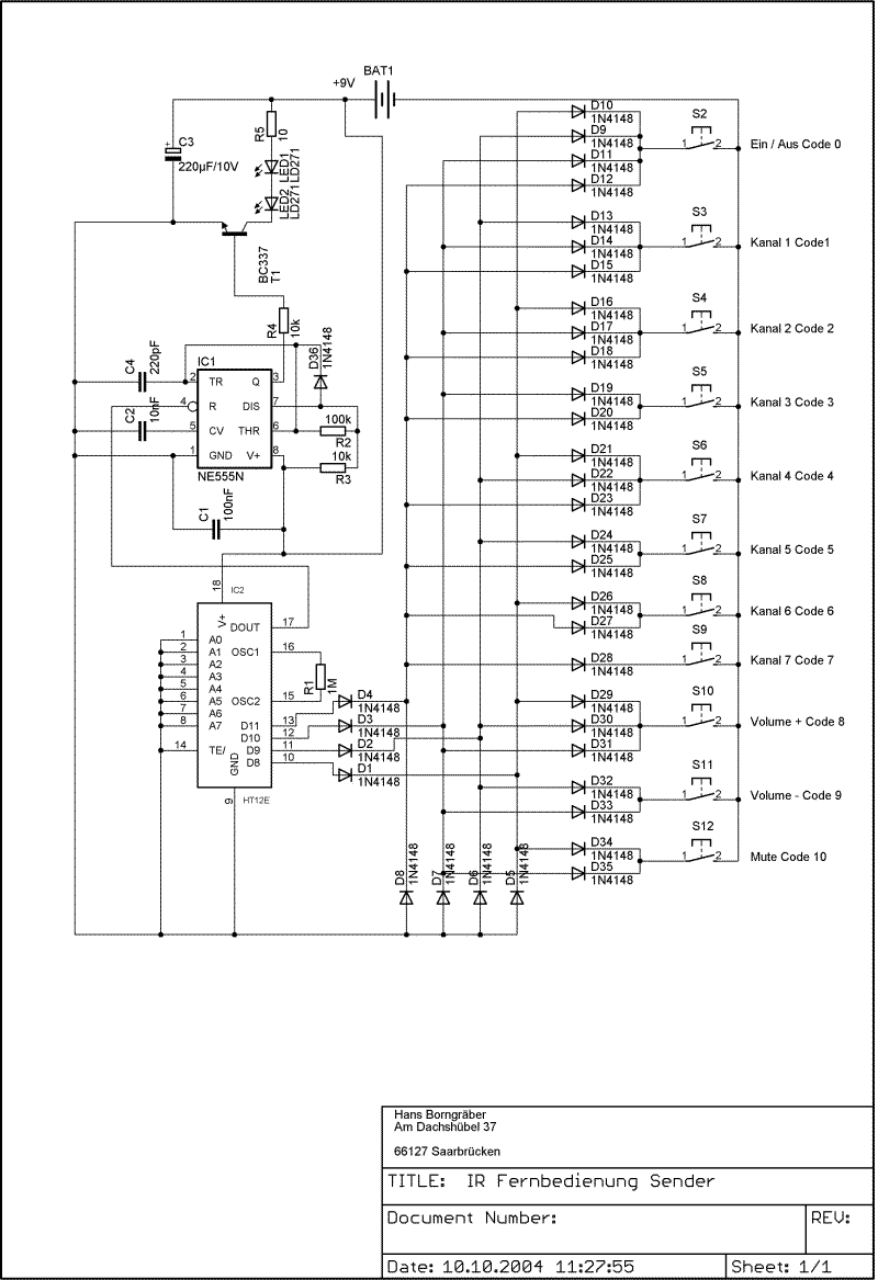
Der Sender



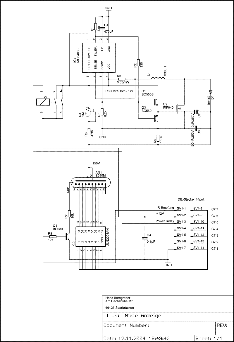
Die Nixieanzeige