| Home | Beschreibung |
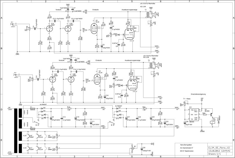
El34 Monoblock Schaltbild
für eine größer Ansicht auf den Plan klicken
Bestückungspläne
Endstufe
Netzteil
Bauteil-Liste
| Menge | Wert | Bauteile | Bestückungsnummer |
| 1 | B80C1000 | Gleichrichter | B1 |
| 2 | CINCH1 | Cinchbuchse | BU1, BU2 |
| 2 | 10µF/400V | Elko radial | C1, C17 |
| 2 | 10µF/250V | Elko radial | C11, C23 |
| 6 | 0,15µF/400V | MP-Kondensator | C2, C3, C4, C13, C14, C15 |
| 1 | 1000µF/16V | Elko radial | C25 |
| 1 | 22µF/16V | Elko radial | C26 |
| 2 | 100µF/50V | Elko radial | C5, C16 |
| 2 | 0,047µF | MP-Kondensator | C6, C18 |
| 6 | 0,1µF/400V | MP-Kondensator | C7, C8, C12, C19, C20, C24 |
| 4 | 270µF/400V | Elko radial | C9, C10, C21, C22 |
| 2 | 1N34 | Germanium-Diode | D1, D6 |
| 8 | 1N4008 | Silizium Diode | D2, D3, D4, D5, D7, D8, D9, D10, D11 |
| 2 | 500mA | Sicherung | F1, F2 |
| 1 | NE555 | Timer IC | IC1 |
| 1 | Relais 2xUm | Relais 6V 2xUm | K1 |
| 1 | BC560 | Transistor | Q1 |
| 2 | 22k | Widerstand MOX 2W | R1, R32 |
| 6 | 470 | Widerstand MOX 2W | R13, R16, R22, R27, R31, R40 |
| 2 | 680k | Widerstand MOX 2W | R14, R30 |
| 2 | 1M | Widerstand MOX 2W | R15, R37 |
| 2 | 250 | Widerstand MOX 2W | R17, R21 |
| 2 | 1,2k | Widerstand MOX 2W | R18, R42 |
| 2 | 100k | Widerstand MOX 2W | R19, R43 |
| 2 | 10k | Widerstand MOX 2W | R2, R29 |
| 2 | 33k | Widerstand MOX 2W | R20, R44 |
| 2 | 5k | Piher Trimmer | R23, R41 |
| 2 | 12k | Widerstand MOX 2W | R3, R28 |
| 6 | 470k | Widerstand MOX 2W | R4, R10, R12, R24, R26, R36 |
| 1 | 4,7k | Widerstand MOX 2W | R45 |
| 1 | 1M | Piher Trimmer | R46 |
| 4 | 100 | Widerstand MOX 2W | R5, R11, R25, R33 |
| 2 | 100k | Widerstand MOX 2W | R6, R38 |
| 2 | 50k log | Potentiometer | R7, R34 |
| 2 | 1k | Widerstand MOX 2W | R8, R35 |
| 2 | 50k | Piher Trimmer | R9, R39 |
| 2 | 6SN7 | Doppeltriode | V1, V4 |
| 2 | EL34 | Endpentode | V2, V5 |
| 2 | EM80 | Magischer Fächer | V3, V6 |
| 10 | Klemme | Schraubklemme 5mm | X1, X2, X3, X4, X5, X6, X7, X8, X9, X10 |
| 2 | Übertrager Ra 2,5k | Ausgangsübertrager | TR1, TR2 |
| 1 | Netztrafo 2 x 300V/140mA 2 x 6,3V / 5A |
Netztrafo | TR3 |