Home Beschreibung Schaltbild   Bildergalerie

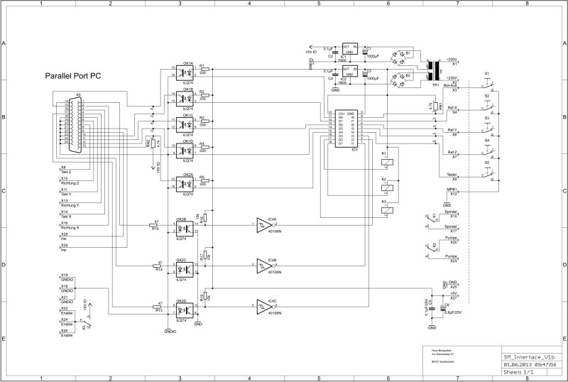
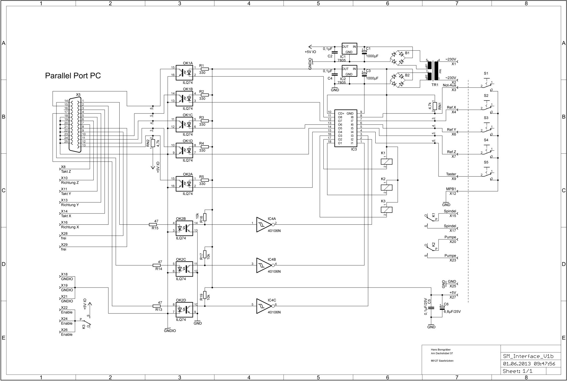
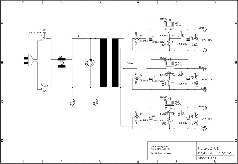
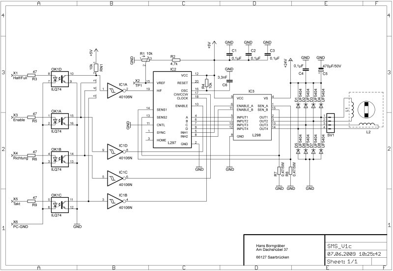
Elektronik Pläne CNC Bohrmaschine

Für die Brillenträger Version auf die Pläne klicken

PC Interface



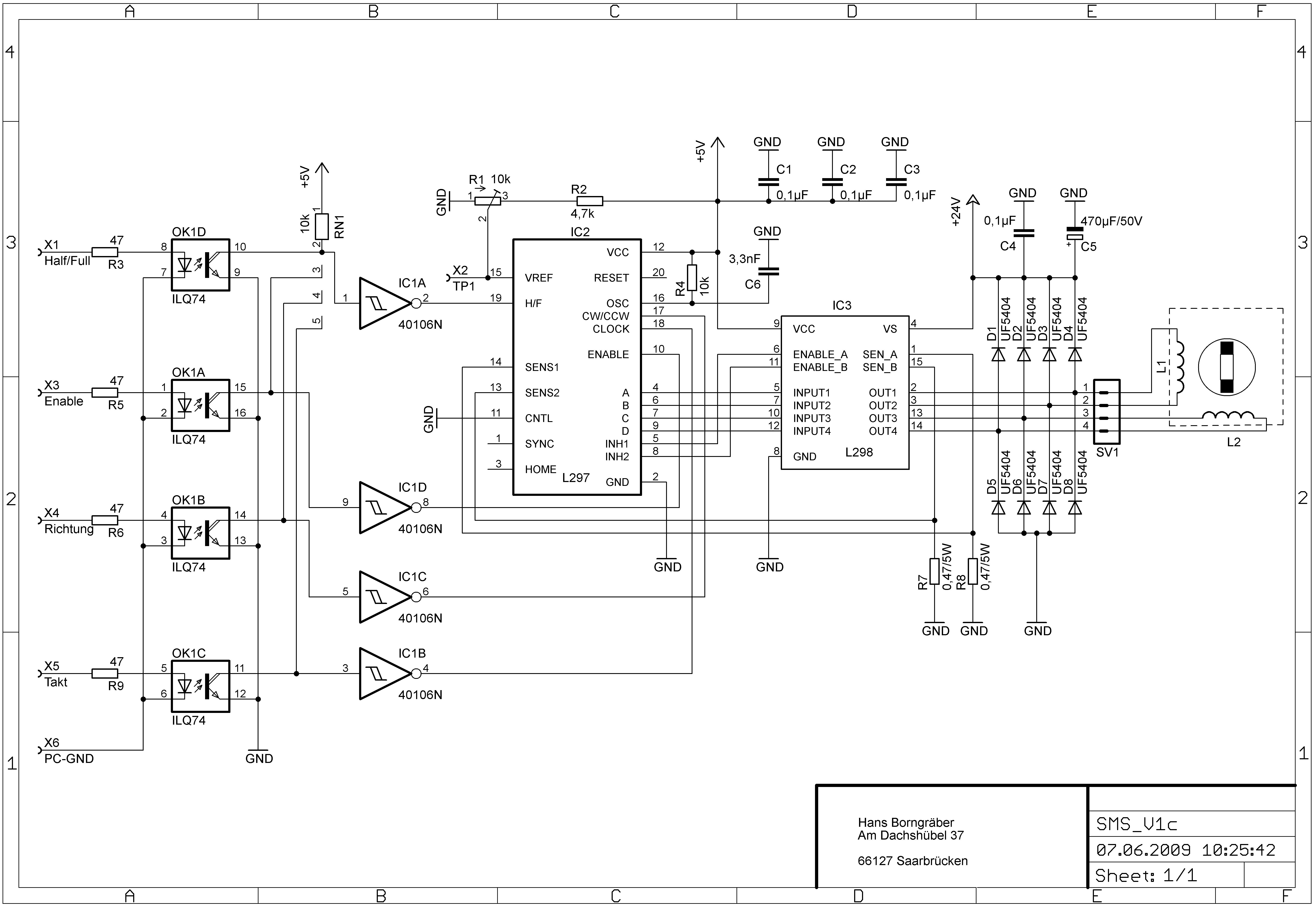
Schrittmotor Endstufe



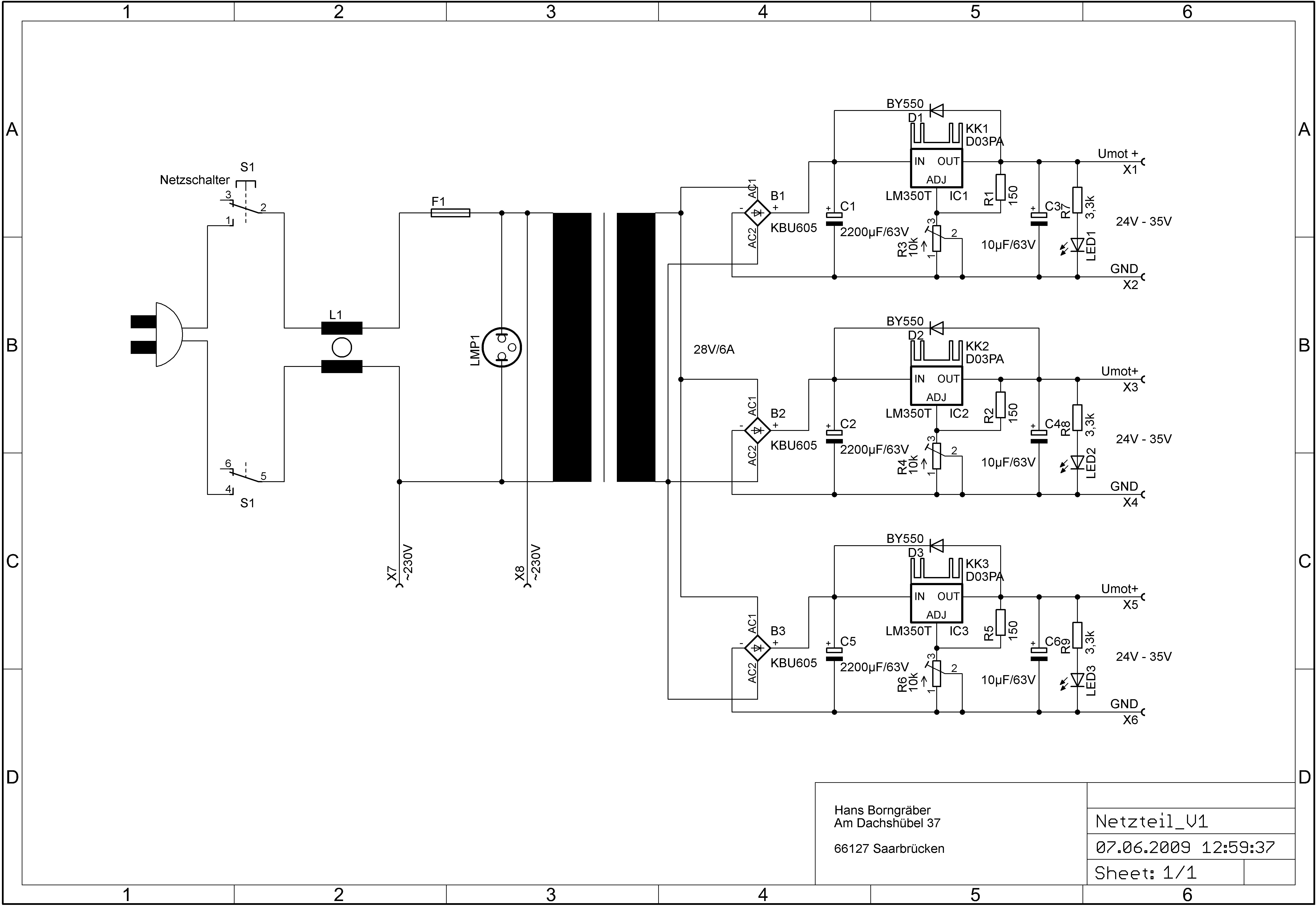
Netzteil



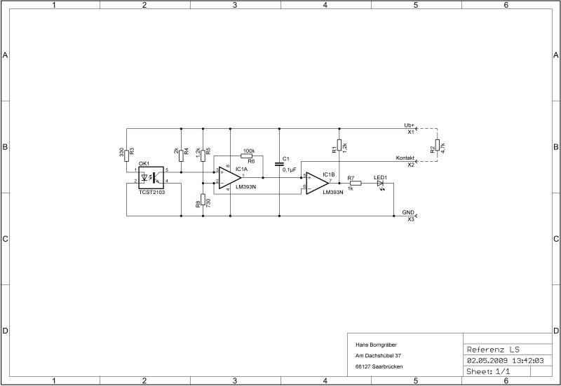
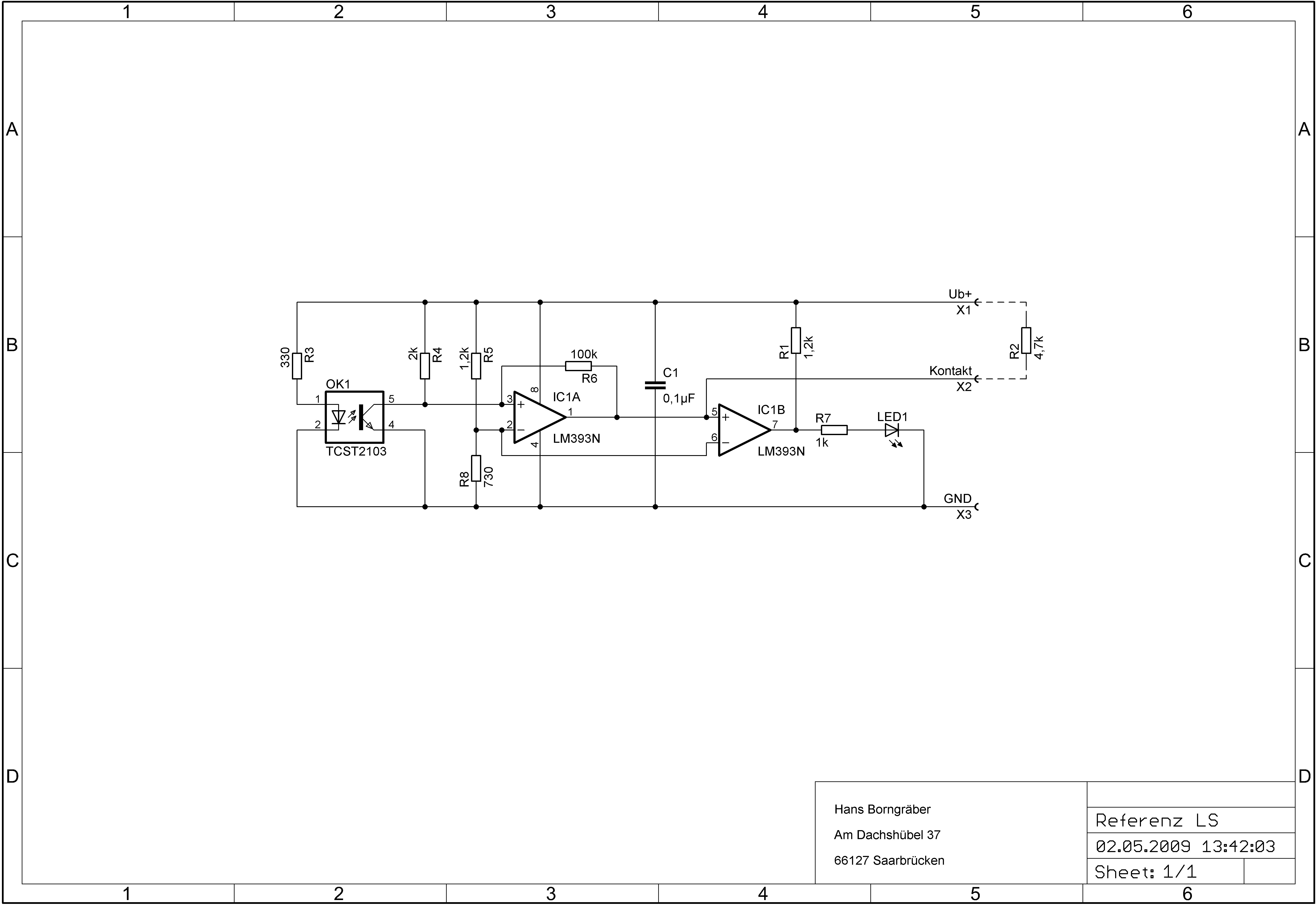
Referenz Lichtschranke