Fritzbox Türklingel Schaltbild

Platine Bestückungsseite

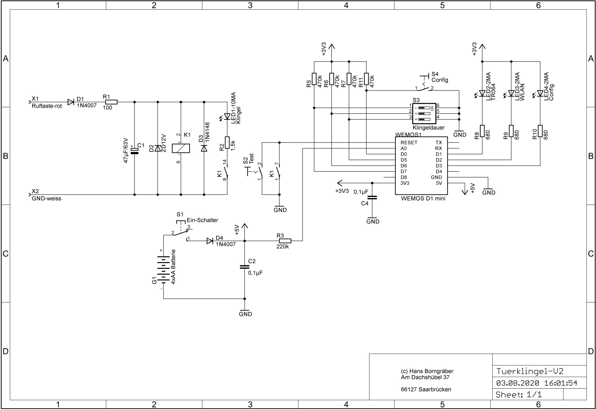
Bauteil-Liste
Menge |
Wert |
Bauteil |
Gehäuse |
Nummer |
1 |
47µF/63V |
Elko |
RM 2,5 |
C1 |
3 |
0,1µF |
Keramik |
RM 5 |
C2, C3, C4 |
2 |
1N4007 |
Diode |
RM 10 |
D1, D4 |
1 |
ZD12V |
Zenerdiode |
RM 7,5 |
D2 |
1 |
1N4148 |
Diode |
RM 7,5 |
D3 |
4 |
Batterie |
1,5V Batterie |
AA |
G1 |
1 |
Meder7221-L 12V |
Relais 2xSchliesser |
DIP |
K1 |
1 |
Klingel |
LED grün 10mA |
3mm |
|
1 |
TR064 |
LED rot 2mA |
3mm |
|
1 |
WLAN |
LED rot 2mA |
3mm |
|
1 |
Config |
LED rot 2mA |
3mm |
|
1 |
100 |
Widerstand 1/4W |
RM 10 |
R1 |
1 |
1,5k |
Widerstand 1/4W |
RM 10 |
R2 |
1 |
220k |
Widerstand 1/4W |
RM 10 |
R3 |
1 |
10k |
Trimmer |
stehend |
R4 |
4 |
470k |
Widerstand 1/4W |
RM 10 |
R5, R6, R7,R11 |
2 |
680 |
Widerstand 1/4W |
RM 10 |
R8, R9 |
1 |
Ein-Schalter |
Kippschalter |
|
S1 |
2 |
Test / Config |
Taster |
6mm |
S2 |
1 |
Klingeldauer |
Dip-Switch |
DA-03 |
S3 |
1 |
WEMOS D1 mini |
WEMOS-D1-MINI |
WEMOS-D1-MINI |
WEMOS1 |
3 |
Steckklemme |
2 polig |
|
|