
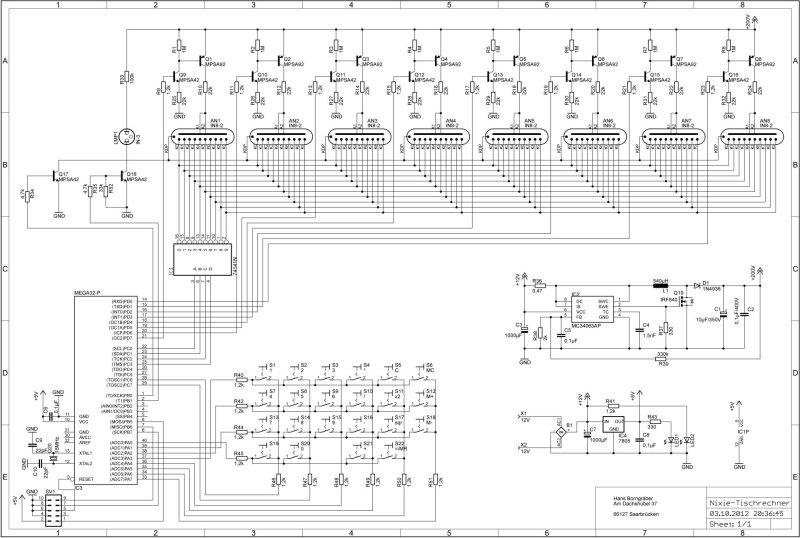
| Anzahl | Wert | Bauteil | Bestückungsnummer |
| 8 | IN8-2 | Nixie Röhre | AN1, AN2, AN3, AN4, AN5, AN6, AN7, AN8 |
| 1 | B80/C1000 | Gleichrichter | B1 |
| 1 | 10µF/350V | Elko radial | C1 |
| 1 | 0,1µF/400V | MP-Kondensator | C2 |
| 2 | 1000µF | Elko radial | C3, C7 |
| 1 | 1,5nF | MP-Kondensator | C4 |
| 3 | 0,1µF | Keramik Kondensator | C5, C6, C8 |
| 2 | 22pF | Keramik Kondensator | C9, C10 |
| 1 | 1N4936 | Fast Recovery Diode | D1 |
| 1 | 74141N | BCD zu Dezimal Dekoder 60V | IC1 |
| 1 | MC34063AP | Schaltregler | IC2 |
| 1 | MEGA32-P | µProz. | IC3 |
| 1 | 7805 | Spannungsregler | IC4 |
| 1 | 540µH | Drossel 800mA | L1 |
| 2 | LED rot | LED | LED1, LED2 |
| 1 | IN-3 | Glimmlampe | LMP1 |
| 8 | MPSA92 | HV Transistor | Q1, Q2, Q3, Q4, Q5, Q6, Q7, Q8 |
| 1 | IRF840 | Mos-Fet | Q19 |
| 1 | 16MHz | Quarz | Q20 |
| 10 | MPSA42 | HV Transistor | Q9, Q10, Q11, Q12, Q13, Q14, Q15, Q16, Q17, Q18 |
| 8 | 1M | Widerstand 1/4W | R1, R2, R3, R4, R5, R6, R7, R8 |
| 16 | 22k | Widerstand 1/4W | R10, R12, R14, R16, R18, R20, R22, R24, R25, R26,
R27, R28, R29, R30, R31, R32 |
| 1 | 100k | Widerstand 1/4W | R33 |
| 2 | 4,7k | Widerstand 1/4W | R34, R35 |
| 1 | 0,47 | Drahtwiderstand 2W | R36 |
| 2 | 330 | Widerstand 1/4W | R37, R43 |
| 1 | 2k | Widerstand 1/4W | R38 |
| 1 | 330k | Widerstand 1/4W | R39 |
| 1 | 33k | Widerstand 1/4W | R52 |
| 19 | 1,2k | Widerstand 1/4W | R9, R11, R13, R15, R17, R19, R21, R23, R40, R41,
R42, R44, R45, R46, R47, R48, R49, R50, R51 |
| 1 | 1 | Tastenschalter | S1 |
| 1 | / | Tastenschalter | S10 |
| 1 | x2 | Tastenschalter | S11 |
| 1 | M+ | Tastenschalter | S12 |
| 1 | 7 | Tastenschalter | S13 |
| 1 | 8 | Tastenschalter | S14 |
| 1 | 9 | Tastenschalter | S15 |
| 1 | - | Tastenschalter | S16 |
| 1 | sqr | Tastenschalter | S17 |
| 1 | M- | Tastenschalter | S18 |
| 1 | , | Tastenschalter | S19 |
| 1 | 2 | Tastenschalter | S2 |
| 1 | 0 | Tastenschalter | S20 |
| 1 | + | Tastenschalter | S21 |
| 1 | =/MR | Tastenschalter | S22 |
| 1 | 3 | Tastenschalter | S3 |
| 1 | * | Tastenschalter | S4 |
| 1 | C | Tastenschalter | S5 |
| 1 | MC | Tastenschalter | S6 |
| 1 | 4 | Tastenschalter | S7 |
| 1 | 5 | Tastenschalter | S8 |
| 1 | 6 | Tastenschalter | S9 |
| 1 | 12V | Steckernetzteil | |
| 1 | 2x5 Stift | Stiftleiste 2x5 | SV1 |
| 2 | Klemme 5mm | 2 fach Klemme | X1, X2 |