| Home | Beschreibung | Schaltbild |
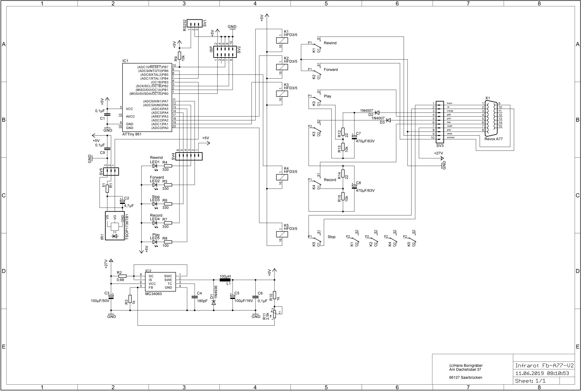
Infrarot Fernbedienung für Revox A77 Schaltbild


Bauteil-Liste
| Menge | Wert | Bauteil | Teile-Nummer |
| 3 | 0,1µF | Kondensator SMD 1206 | C1, C6,C9 |
| 1 | 4,7µF | Elko | C2 |
| 1 | 100µF/50V | Elko | C3 |
| 1 | 180pF | Kondensator | C4 |
| 1 | 100µF/16V | Elko | C5 |
| 2 | 470µF/63V | Elko | C7, C8 |
| 1 | 1N4936 | Fast switching Diode | D1 |
| 2 | 1N4007 | Diode | D2, D3 |
| 1 | ATTiny 861 | Prozessor | IC1 |
| 1 | MC34063 | Schaltregler | IC2 |
| 1 | TSOP1736TB1 | Infrarot Empfänger | IR1 |
| 5 | HFD3/5 | Printrelais 5V incl.Diode | K1, K2, K3, K4, K5 |
| 1 | 100µH | Spule | L1 |
| 1 | Rewind | LED5MM grün | LED1 |
| 1 | Forward | LED5MM grün | LED2 |
| 1 | Stop | LED5MM rot | LED3 |
| 1 | Record | LED5MM gelb | LED4 |
| 1 | Play | LED5MM blau | LED5 |
| 1 | 51 | SMD-Widerstand 1206 | R1 |
| 1 | 2,5k | PT6 Trimmer | R11 |
| 2 | 22 | SMD-Widerstand 1206 | R12, R14 |
| 1 | 0,68/2W | Draht-Widerstand | R2 |
| 2 | 1k | SMD-Widerstand 1206 | R3, R10 |
| 4 | 330 | SMD-Widerstand 1206 | R4, R5, R6, R7 |
| 1 | 100 | SMD-Widerstand 1206 | R8 |
| 3 | 10k | SMD-Widerstand 1206 | R9, R13, R15 |
| 4 | 0R0 | SMD-Brücke |