Home Beschreibung Schaltbild

PCL86 SE Verstärker Pläne



Auf die Platine klicken für größeren Plan


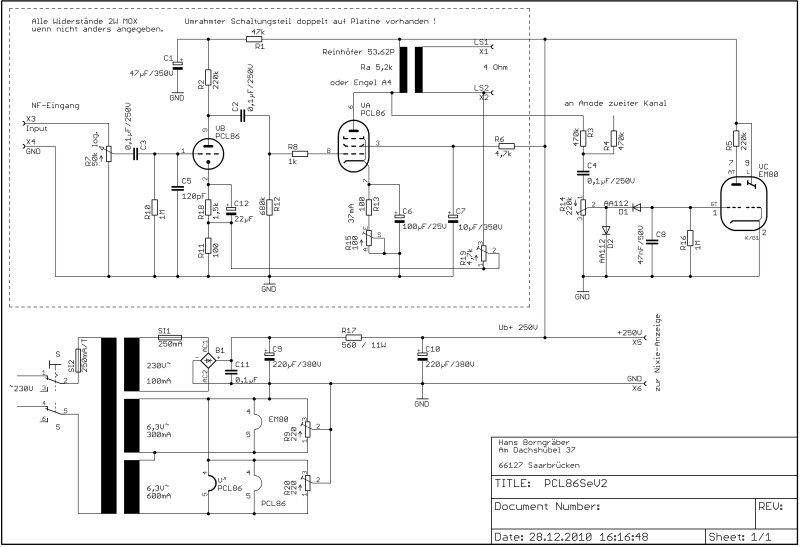
Hauptplatine
Anzahl Nr Wert Bauteil
1 B1 B380C1500 Gleichrichter -W+W
2 C1 47µF/350V Elko axial
5 C2,C3,C4 0,1µF/250 Wima MK4
2 C5 120pF/250V Keramik Kondensator
2 C6 100µF/25V Elko radial
2 C7 10µF/250V Elko radial
1 C8 47nF Wima MK4
2 C9,C10 220µF/350V Elko radial
2 D1,D2 AA117 Germanium Diode
4 R1,R9 47k/2W Metalloxid Widerstand
3 R10,R16 1M/2W Metalloxid Widerstand
4 R11,R13 100/2W Metalloxid Widerstand
2 R12 680k/2W Metalloxid Widerstand
1 R14 220k/0,5W Trimmer Piher 15mm liegend
2 R15 100/0,5W Trimmer Piher 15mm liegend
1 R17 560/2W Draht Leistungwiderstand
1 R18 56k Metalloxid Widerstand
2 R2 220K/2W Metalloxid Widerstand
2 R3,R4 470k/2W Metalloxid Widerstand
2 R6 4,7k/2W Metalloxid Widerstand
1 R7 50k Stereo Poti 50k log.
2 R8 1k/2W Metalloxid Widerstand
1 S1 250V~/6A Netzschalter 2 polig
2 SI1,SI2 250mA/träge 5x20 Sicherung incl. Halter
1 TR1 250V/100mA, 2 x 6,3V/1A Netztrafo
2 TR2 5,2k/4ohm Ausgangsübertrager, Reinhöfer 53.62P oder Engel A4
2 VA,VB PCL86 Elektronenröhre
3 VA,VB,VC Fassung Noval Lötfassung Noval 9 polig
1 VC EM80 Elektronenröhre
30 X...... 1mm Lötnägel
5   M3 / 10mm Stehbolzen
5   M3 Mutter Mutter verzinkt
1   250 x 150mm Epoxyd Platine
1   30mm Aludrehknopf






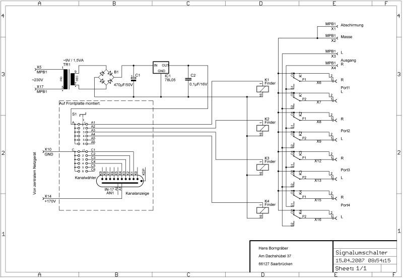
Umschaltplatine
Anzahl Nr Wert Bauteil
1 AN1 IN-17 Nixie Anzeige
1 B1 B80C1000 Gleichrichter rund
1 C1 470µF/50V Elko radial
1 C2 0,1µF/35V Keramik Kondensator
1 IC1 LM7805 Spannungsregler 5V
4 K1,K2,K3,K4 2xUm 5V Finder Print Relais
1 S1 2 Ebenen 4 Stufen Stufenschalter
1 TR1 9V/1,5VA Printtrafo
7 X...... 1mm Lötnägel
2 X1-X16 2 x Stereo Cinch Cinch Buchsenblock 2 x Stereo
1   20mm Aludrehknopf
5   M3 / 10mm Stehbolzen
5   M3 Mutter Mutter verzinkt
1   75x100 Epoxyd Platine