
| Anzahl | Teilenummer | Wert | Beschreibung |
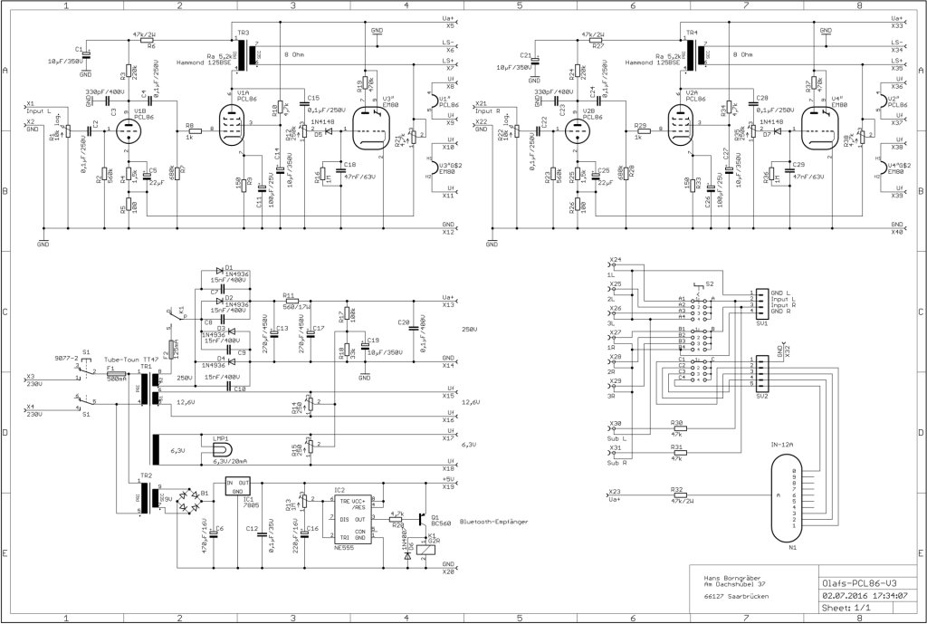
| 1 | B1 | B380/C1000 | DIL-Gleichrichter |
| 5 | C1,C14,C19,C21,C27 | 10µF/350V | Elko radial |
| 2 | C11,C26 | 100µF/25V | Elko radial |
| 1 | C12 | 0,1µF/35V | Keramik Kondensator |
| 2 | C13,C17 | 270µF/450V | Elko radial |
| 1 | C16 | 220µF/16V | Elko radial |
| 2 | C18,C29 | 47nF/63V | Wima Mkp |
| 6 | C2,C4,C15,C22,C24,C28 | 0,1µF/250V | Wima Mkp |
| 1 | C20 | 0,1µF/400V | Wima Mkp |
| 2 | C3,C23 | 330pF/400V | Keramik Kondensator |
| 2 | C5,C25 | 22µF/50V | Elko radial |
| 1 | C6 | 470µF/16V | Elko radial |
| 4 | C7,C8,C9,C10 | 15nF/400V | Wima Mkp |
| 4 | D1,D2,D3,D4 | 1N4936 | Diode |
| 2 | D5,D7 | 1N4148 | Diode |
| 1 | D6 | 1N4007 | Diode |
| 1 | F1 | 500mA | Sicherung incl. Halter |
| 1 | F2 | 125mA | Sicherung incl. Halter |
| 1 | IC1 | 7805 | Spannungsregler |
| 1 | IC2 | NE555 | Timer |
| 1 | K1 | Relais 1xUm | Finder, Single-In-Line, 1x UM, 250V/6A, 12V |
| 1 | LMP1 | 6,3V/20mA | Signallampe |
| 1 | N1 | IN-12A | Nixie Röhre |
| 1 | Q1 | BC560 | Transistor |
| 2 | R1,R22 | 10k log. | Alps Potentiometer |
| 3 | R10,R20,R34 | 4,7k | Widerstand 1/2W |
| 1 | R11 | 560 | Keramik Widerstand 17W |
| 2 | R12,R35 | 250k log. | Poti 6mm |
| 1 | R13 | 1M | 10 Gang Trimmer |
| 2 | R14,R15 | 250 | Trimmer PT15 |
| 2 | R16,R36 | 1M | Widerstand 1/2W |
| 1 | R17 | 100k | Widerstand 2W |
| 1 | R18 | 33k | Widerstand 2W |
| 2 | R19,R37 | 470k | Widerstand 1/2W |
| 2 | R2,R23 | 560k | Widerstand 1/2W |
| 2 | R21,R38 | 4,7k | Trimmer PT10 |
| 2 | R3,R24 | 220k | Widerstand 1/2W |
| 2 | R30,R31 | 47k | Widerstand 1/2W |
| 2 | R4,R25 | 1,5k | Widerstand 1/2W |
| 2 | R5,R26 | 100 | Widerstand 1/2W |
| 3 | R6,R27,R32 | 47k | Widerstand 2W |
| 2 | R7,R28 | 680k | Widerstand 1/2W |
| 2 | R8,R29 | 1k | Widerstand 1/2W |
| 2 | R9,R33 | 150 | Widerstand 1/2W |
| 1 | S1 | 2pol Ein/Aus | Netzschalter |
| 1 | S2 | Drehschalter | CK103X04 |
| 1 | SV1 | Stiftleiste | MA04-1 |
| 1 | SV2 | Stiftleiste | MA05-1 |
| 1 | TR1 | Netztrafo TT47 | 230V / 6,3 V / 12,6V |
| 1 | TR2 | Printtrafo EI30 | 9V / 311mA |
| 2 | TR3,TR4 | Hammond 125BSE | SE-Übertrager |
| 2 | V1,V2 | PCL86 | ECL86-P |
| 2 | V3,V4 | EM80 | Anzeigeröhre |
| 15 | X….. | 2 pol. | Klemme 5,08mm |
| 14 | X….. | 2 pol. | Klemme 3,5mm |
| 8 | Tobu….. | Cinch Printbuchse | Lumberg PCB stehend |