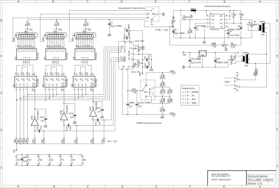
| Home | Beschreibung | Schaltbild |

| Menge | Wert | Bauteile |
| 2 | B250C2200 |
B1, B2 |
| 1 | Netzschalter |
S1 |
| 10 | 12k |
R20,
R21, R22, R23, R24, R25, R26, R27, R28, R29 |
| 3 | IN
8-2 |
AN1, AN2, AN3 |
| 1 | 0,1µF/63V | C1,
C6, C8, C9 |
| 1 | 0,15µF/63V | C13 |
| 2 | 1
1W |
R1, R2 |
| 1 | 1,5M
1% |
R13 |
| 2 | 1,8M 1% | R15, R16 |
| 1 | 1M 1% | R14 |
| 1 | 1nF/100V | C3 |
| 1 | 4,7k | R9 |
| 1 | 5k | R8 |
| 2 | 6,8µF | C11, C20 |
| 1 | 7,5M 1% | R12 |
| 1 | 9V - 2,8VA | TR2 |
| 1 | 9V - 10VA | TR1 |
| 1 | 10µF/350V | C5 |
| 1 | 10k 1% | R19 |
| 1 | Trimmer 10k | R10 |
| 3 | 22k
0,5W |
R3, R4, R5 |
| 3 | 47nF | C14, C15, C16, C17, C18, C19 |
| 1 | Trimmer 50k | R11 |
| 1 | 74ALS04N | IC9 |
| 3 | 74LS75N | IC6, IC7, IC8 |
| 1 | 120nF/63V MKT 1% | C7 |
| 1 | 150nF/63V MKT 1% | C4 |
| 1 | 150pF | C12 |
| 2 | 180k 1% | R17, R18 |
| 1 | 250mAT | SI1 |
| 1 | 330µH
Entstördrossel 2,5A |
L1 |
| 1 | 330 | R6 |
| 1 | 680k | R7 |
| 1 | 2200µF/25V | C2 |
| 1 | 2200µF/25V | C10 |
| 3 | 74141N | IC3, IC4, IC5 |
| 1 | BYT08P | D1 |
| 1 | IRF830 | Q1 |
| 1 | LM7805 | IC2 |
| 1 | MC34063-DIL | IC1 |
| 2 | 4mm
Buchse |
X1, X2 |

