Home Beschreibung Schaltbild

Schaltbild Endstufe

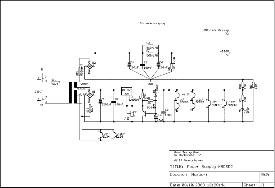
Für PDF Datei auf Schaltbilder klicken !

Schaltbild RIAA Phonostufe

Schaltbild Netzteil