| Home | Beschreibung | Schaltbild |
Gegentakt Verstärker mit der EL8
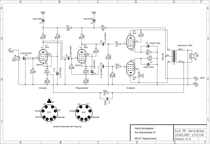
Schaltbild

Impedanz-Tabelle Hammond 125H Transformator
| Primär Impedanz Raa (ohm) | Lautsprecher Impedanz in Ohm | |||||||
| Sekundär Anschluß | 1,5 | 2 | 3,2 | 4 | 6 | 8 | 12 | 16 |
| 1 - 2 | 27.000 | n.a. | n.a. | n.a. | n.a. | n.a. | n.a. | n.a. |
| 2 - 3 | 18.000 | 24.000 | n.a. | n.a. | n.a. | n.a. | n.a. | n.a. |
| 3 - 4 | 16.500 | 13.500 | 21.600 | 27.000 | n.a. | n.a. | n.a. | n.a. |
| 1 - 3 | 5.400 | 7.200 | 11.600 | 16.000 | 21.600 | n.a. | n.a. | n.a. |
| 2 - 4 | 4.200 | 5.600 | 9.000 | 11.200 | 16.800 | 22.500 | n.a. | n.a. |
| 1 - 4 | 2.150 | 2.900 | 4.800 | 5.800 | 8.700 | 11.600 | 17.400 | 21.500 |
