Home Fotos Schaltbild Bauteile



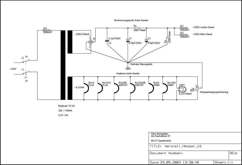
EL34 Single Ended Endstufe

Für PDF Datei auf die Schaltbilder klicken.

Powersupply