| Menge |
Wert |
Bauteile |
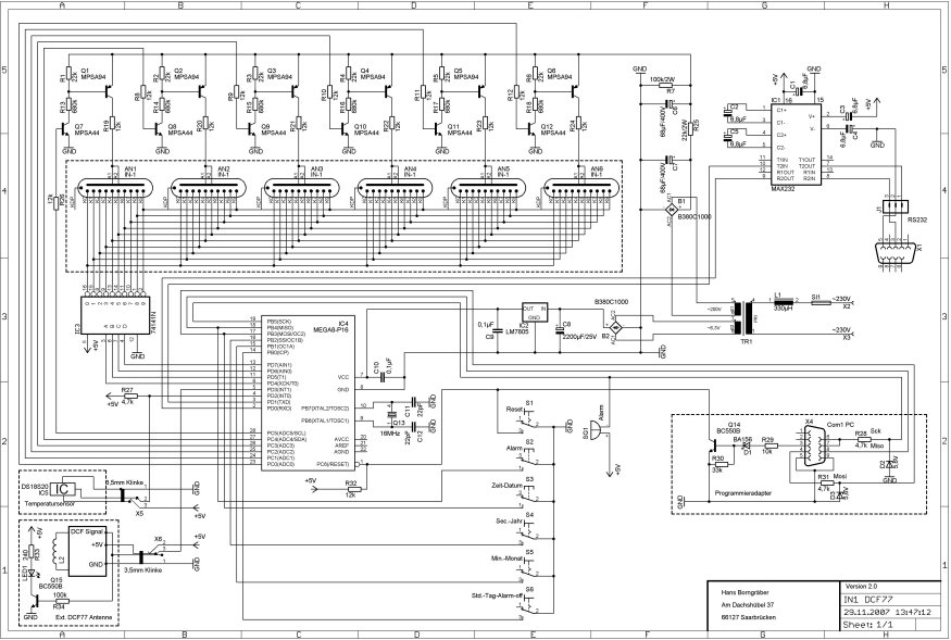
| 6 |
IN-1 |
AN1, AN2, AN3, AN4, AN5, AN6 |
| 2 |
B500C1000 DIL |
B1, B2 |
| 5 |
6,8µF/35V |
C1, C2, C3, C4, C5 |
| 2 |
22pF/35V |
C11, C12 |
| 2 |
68µF/400V |
C6, C7 |
| 1 |
2200µF/25V |
C8 |
| 2 |
0,1µF/35V |
C9,C10 |
| 1 |
BA156 |
D1 |
| 2 |
Zener 5,6V |
D2, D3 |
| 1 |
MAX232 |
IC1 |
| 1 |
LM7805 |
IC2 |
| 1 |
74141N |
IC3 |
| 1 |
Atmel MEGA8-P16 |
IC4 |
| 1 |
DS18S20 |
IC5 |
| 1 |
330µH Drossel |
L1 |
| 1 |
DCF-77 Empfänger |
L2 |
| 1 |
3mm LED |
LED1 |
| 1 |
|
Netzkabel |
| 6 |
MPSA94 |
Q1, Q2, Q3, Q4, Q5, Q6 |
| 1 |
16MHz Quarz |
Q13 |
| 2 |
BC550B o.ä. |
Q14, Q15 |
| 6 |
MPSA44 |
Q7, Q8, Q9, Q10, Q11, Q12 |
| 6 |
22k |
R1, R2, R3, R4, R5, R6 |
| 6 |
680k |
R13, R14, R15, R16, R17, R18 |
| 1 |
22k/2W |
R25 |
| 3 |
4,7k |
R27, R28, R31 |
| 1 |
10k |
R29 |
| 1 |
33k |
R30 |
| 1 |
240 |
R33 |
| 1 |
100k |
R34 |
| 1 |
100k/2W |
R7 |
| 13 |
12k |
R8, R9, R10, R11, R12, R19, R20, R21, R22, R23, R24, R26, R32 |
| 1 |
Taster 1xUm |
S1 |
| 1 |
Schalter 1xUm |
S2 |
| 1 |
Schalter 1xUm |
S3 |
| 1 |
Taster 1xUm |
S4 |
| 1 |
Taster 1xUm |
S5 |
| 1 |
Taster 1xUm |
S6 |
| 1 |
Alarm |
SG1 |
| 1 |
100mA träge |
SI1 |
| 1 |
Trafo 6,3V/600mA 200V/15mA |
TR1 |
| 3 |
3,5mm Klinke |
|
| 66 |
Kontakte für IN-1 |
|