
| Menge | Wert | Device | Bauteile |
| 2 | B80C2200 | Gleichrichter | B1, B2 |
| 2 | 0,1µF | Keramik-Kondensator | C1, C9 |
| 2 | 2200µF/25V | Elko | C2, C6 |
| 1 | 4,7µF/16V | Elko | C3 |
| 2 | 22pF | Keramik-Kondensator | C4, C5 |
| 4 | 10nF | MP-Kondensator | C7, C8, C10, C11 |
| 1 | 1N4936 | Diode | D1 |
| 1 | TUXGR_16x4 | LCD-Display 4x16 | DIS1 |
| 1 | LM7805 | Spannungsregler | IC1 |
| 1 | LM393N | Komparator | IC2 |
| 1 | MEGA168-PU | µProzessor | IC3 |
| 1 | TSOP1736TB1 | Infrarot Empfänger | IR1 |
| 1 | D0A-L | Kühlkörper | KK1 |
| 1 | CNY70 | Reflexsensor | OK1 |
| 1 | 16MHz | Quarz | Q1 |
| 1 | BS170 | MOS-Fet | Q2 |
| 1 | IRLZ34Z | MOS-Fet | Q3 |
| 1 | 1M | Widerstand 1/4W | R1 |
| 1 | 2,5k | Trimmer | R2 |
| 2 | 10k | Widerstand 1/4W | R3, R10 |
| 1 | 150 | Widerstand 1/4W | R4 |
| 1 | 39k | Widerstand 1/4W | R5 |
| 1 | 10k | Widerstand 1/4W | R6 |
| 1 | 47 | Widerstand 1/4W | R7 |
| 1 | 330 | Widerstand 1/4W | R8 |
| 1 | 10 | Widerstand 1/4W | R9 |
| 1 | Stop L | Microschalter | S1 |
| 1 | Stop R | Microschalter | S2 |
| 1 | Drehrichtung | Schalter 2xUm | S3 |
| 1 | ISP-Programmer | Stiftleiste 2x5 | SV |
| 3 | +5V | Klemme 5mm | X1, X13, X14 |
| 1 | Stop R | Klemme 5mm | X10 |
| 2 | Motor | Klemme 5mm | X11, X12 |
| 1 | Enable | Klemme 5mm | X15 |
| 1 | Richtung | Klemme 5mm | X16 |
| 1 | Takt | Klemme 5mm | X17 |
| 1 | Halbschritt | Klemme 5mm | X18 |
| 1 | Fusstaster | Klemme 5mm | X19 |
| 2 | 9V | Klemme 5mm | X2, X3 |
| 7 | GND | Klemme 5mm | X4, X8, X20, X21, X22, X23, X24 |
| 1 | +17V | Klemme 5mm | X5 |
| 2 | 12V | Klemme 5mm | X6, X7 |
| 1 | Stop L | Klemme 5mm | X9 |

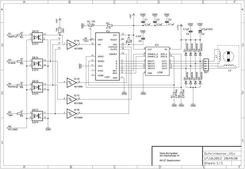
| Menge | Wert | Device | Bauteile |
| 4 | 0,1µF | Keramik-Kondensator | C1, C2, C3, C4 |
| 1 | 470µF/50V | Elko | C5 |
| 1 | 3,3nF | MP-Kondensator | C6 |
| 8 | 1N4936 | Fast-Recovery Diode | D1, D2, D3, D4, D5, D6, D7, D8 |
| 1 | 40106N | CMOS-Schmitt Trigger | IC1 |
| 1 | L297 | Schrittmotor Logik | IC2 |
| 1 | L298 | H-Brücke | IC3 |
| 2 | Schrittmotor | L1, L2 | |
| 1 | ILQ74 | Opto-Koppler | OK1 |
| 1 | 10k | Trimmer 10 Gang | R1 |
| 1 | 4,7k | Widerstand 1/4W | R2 |
| 1 | 47 | Widerstand 1/4W | R3 |
| 1 | 10k | Widerstand 1/4W | R4 |
| 3 | 47 | Widerstand 1/4W | R5, R6, R9 |
| 2 | 0,47/5W | Drahtwiderstand | R7, R8 |
| 1 | 10k | Widerstand Netzwerk | RN1 |
| 4 | Schrittmotor | Klemme 5mm | SV1 |
| 1 | Half/Full | Klemme 5mm | X1 |
| 1 | TP1 | Klemme 5mm | X2 |
| 1 | Enable | Klemme 5mm | X3 |
| 1 | Richtung | Klemme 5mm | X4 |
| 1 | Takt | Klemme 5mm | X5 |
| 1 | PC-GND | Klemme 5mm | X6 |