Home  Beschreibung



Textuhr mit DCF Empfänger und Nord/Süd Umschaltung

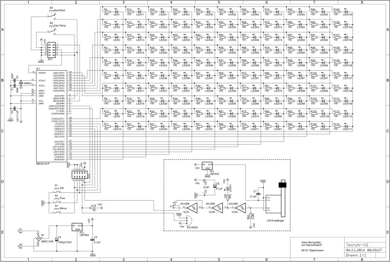
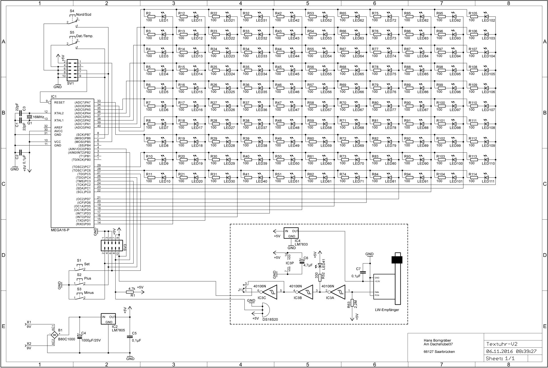
Schaltbild


Bestückungsplan der Platine 1&2

Lötseite unten


Bestückungsseite oben


Bauteile ohne DCF Empfänger
MengeWertBauteilTeilenummer
1B80C1000DIL GleichrichterB1
222pFKeramik Kondensator SMD 1206C1, C3
30,1µFKeramik Kondensator SMD 1206C2, C5, C7
11000µF/25VElko axialC4
1ATMega 16ATMega 16IC1
1LM7805SpannungsreglerIC2
1LM7833SpannungsreglerIC4
110WeissLED SMD 1206LED1 - LED111
116MHzQuarzQ1
14,7kWiderstand SMD 1206R1
110100Widerstand SMD 1206R2 - R114
1Set6x6 mm TasterS1
1Plus6x6 mm TasterS2
1Minus6x6 mm TasterS3
1Nord/Süd1 x Um KippschalterS4
1Dat./Temp.1 x Um KippschalterS5
2Stiftleiste 2x5SV1, SV3
19VHohlbuchse 5,5/2,1X1, X2

DCF Empfänger Bestückungsseite



DCF Empfänger Lötseite