| Home |

|
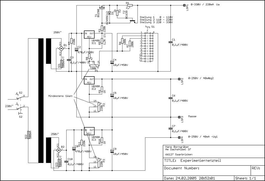
Technische Daten : Ua 0 - 330V 220mA Kurzschlussfest -Ug1 0 - 220V 40 mA Kurzschlussfest Ug2 0 - 220V 40mA Kurzschlussfest Heutige Labornetzteile liefern nur in Ausnahmefällen die für Röhrenschaltungen notwendigen hohen Spannungen. Die nachfolgend vorgestellte Schaltung liefert diese ohne großen technischen Aufwand in guter und stabiler Qualität. Das Netzteil besteht aus drei einzelnen Regelungen die über zwei getrennte Trafowicklungen versorgt werden. Regelung 1 : Die erste Regelung dient der Erzeugung der Anodenspannung Ua. Der Längsregler VB408 wird mit einem Power Mosfet "aufgemotzt" und bringt dann 330V 220mA. Die Regelung ist über einen Stufenschalter in drei Bereiche aufgeteilt 0V-110V / 110V-220V / 220V-330V dies erleichtert die Einstellung der Spannungen. Aufgrund der vielen
Anfragen noch ein wichtiger Hinweis : - das Poti R1 muss
unbedingt 1W besser mehr vertragen, ansonsten gibt es Rauchzeichen. Die
Standard Potis vom Elektronikversand nebenan haben nur 0,25W das reicht
auf keinen Fall. Zu empfehlen sind die Potis von Bourns in der 10 Gang
Ausführung die vertragen 2,5W. Dies gilt auch für die beiden
anderen Poti's in der restlichen Schaltung. Regelung 2 : Diese dient der Einstellung der Ug2 und ist im Bereich von 0 - 220V einstellbar. Die Belastbarkeit beträgt 40 mA. Regelung 3 : Regelung 3 ist unbedingt aus einer separaten Trafowicklung zu versorgen. Sie liefert -Ug1 im Bereich von 0 -220V mit maximal 40mA. <>Die Platine ist eine normale 100 x 160 mm große Europaplatine. Das IC VB408 ist leider abgekündigt worden.![]() Viel Spaß beim nachbauen. |




