Home Beschreibung


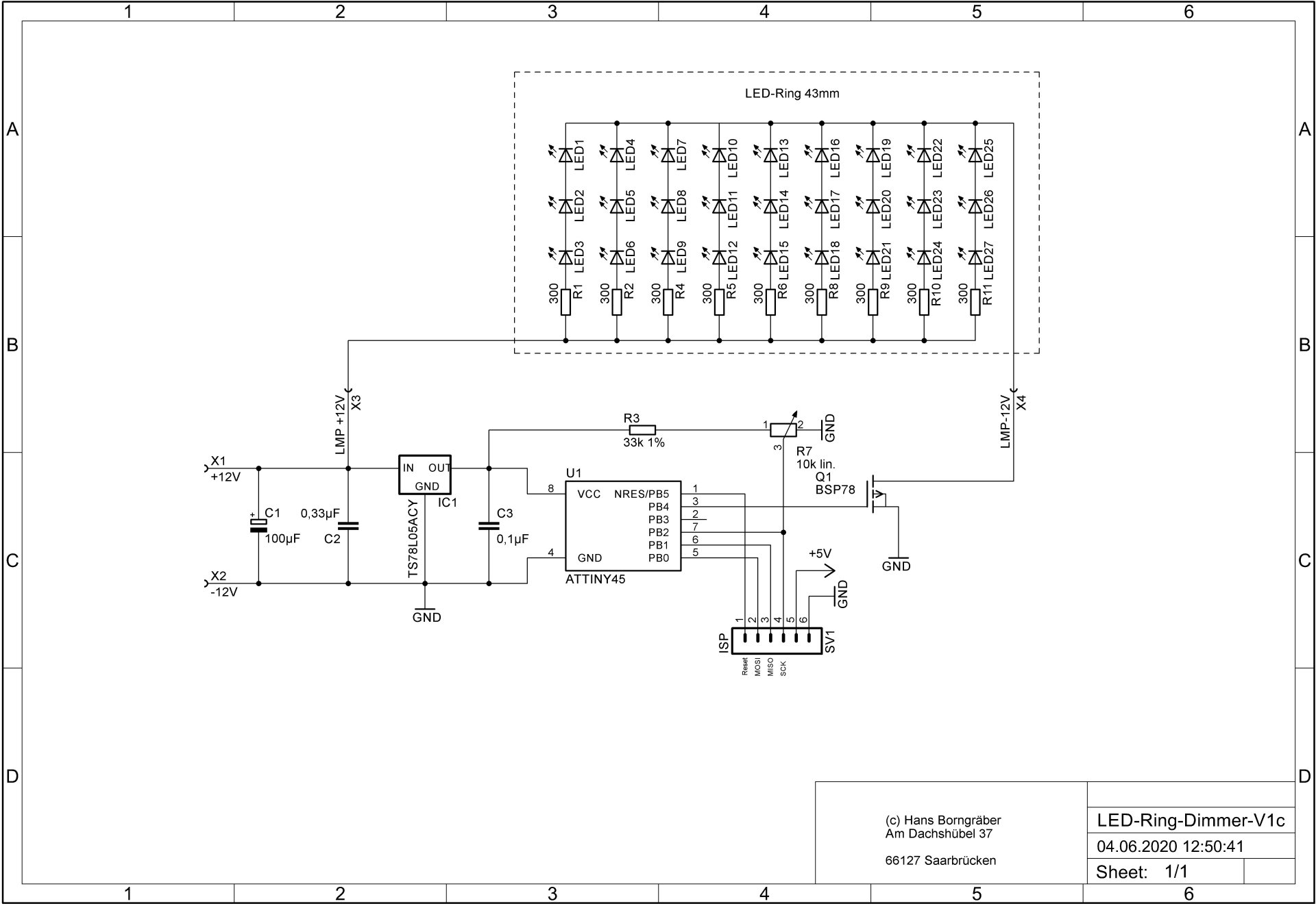
Schaltbild des LED Ringes und des Dimmers



Platinenlayout des Ringes.
Die roten Ringe sind die Maße des Pexi-Ringes.




Dimmer Platine



Software des Dimmers